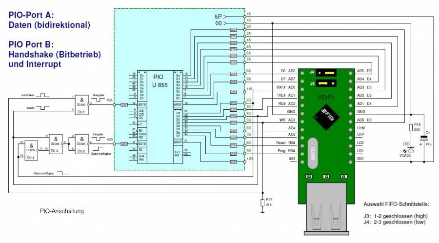
Das VDIP1 wird an einem PIO angeschlossen, dazu sind beide PIO-Ports erforderlich. Für die Nutzung unter CP/M ist ein Treiber nötig, der den Zugriff steuert und diese Funktionen dem CP/M-System hinzufügt. Dazu wird die Funktion der Zusatzein- und ausgabe genutzt.
Die Nachnutzung auf anderen CP/M-Systemen, bei denen das VDIP1 an einem PIO direkt im Adressraum des CP/M-Prozessors erfolgt, gestaltet sich wesentlich einfacher. Hierzu muss nur im Quelltext USBINC.Z80 der Schalter KC85 von 1 auf 0 gesetzt werden und die Portadressen des PIO eingetragen werden. Alles andere wird bei der Assemblierung der Quelltexte automatisch berücksichtigt, die Routinen zur direkten PIO-Abfrage sind enthalten und es ist kein weiterer Treiber nötig.
Mit der Variable BS kann die Bildschirmbreite eingestellt werden, voreingestellt ist der Wert 64 fuer nicht KC-Systeme. Es kann 64 oder 80 eingetragen werden, andere Werte sind zur Zeit nicht vorgesehen.
| Stecker und Pin | PIO | Sub-D | VDIP | Sonderanschaltung | VDIP1-Signal | |
|---|---|---|---|---|---|---|
| X1 5A und X2 5A | 5P* | 1+2 | 1 | LED über 330 Ohm nach GND | 5P | |
| X1 2A | A0 | 3 | 6 | D0 | ||
| X1 1A und X2 1A | GND | 21-24 | 7 | 47 µF Elko gegen 5P | GND | |
| X1 2B | A1 | 4 | 8 | D1 | ||
| X1 2C | A2 | 5 | 9 | D2 | ||
| X1 3A | A3 | 6 | 10 | D3 | ||
| X1 3B | A4 | 7 | 11 | D4 | ||
| X1 3C | A5 | 8 | 12 | D5 | ||
| X1 4A | A6 | 9 | 13 | D6 | ||
| X1 4B | A7 | 10 | 14 | D7 | ||
| X2 2A | B0 | 20 | 15 | Pin 12 und 13 DL000 | AC0 | |
| X2 2B | B1 | 19 | 16 | Pin 2 und 9 DL000 | AC1 | |
| X2 2C | B2 | 18 | 17 | AC2 | ||
| X1 1A und X2 1A | GND | 25 | 18 | GND, mit Pin 7 VDIP verbinden | GND | |
| X2 3A | B3 | 17 | 19 | Pin 1DL000 + 47K GND | AC3 | |
| X2 3B | B4 | 16 | 20 | AC4 | ||
| X2 3C | B5 | 15 | 21 | AC5 | ||
| X2 4A | B6 | 14 | 22 | Reset | ||
| X2 4B | B7 | 13 | 23 | Am VDIP trennen ! | Prog | |
| X1 5B | ASTB | 11 | Pin 3 DL000 | Ausgabe | ||
| X2 5B | BSTB | 12 | Pin 6 DL000 | Eingabe | ||
| DL000 | Pin 10-11 gebrückt | |||||
| DL000 | Pin 4-5-8 gebrückt | |||||
| * | Umverdrahten auf 5P | |||||
| Port | Funktion | Adresse |
|---|---|---|
| A | Daten | 60h |
| A | Control | 62h |
| B | Daten | 61h |
| B | Control | 63h |